-
Abholung bei esco in Troisdorf:
bitte vorab anrufen, um Verfügbarkeit zu prüfen!
-
Lieferzeit:
2 - 4 Werktage
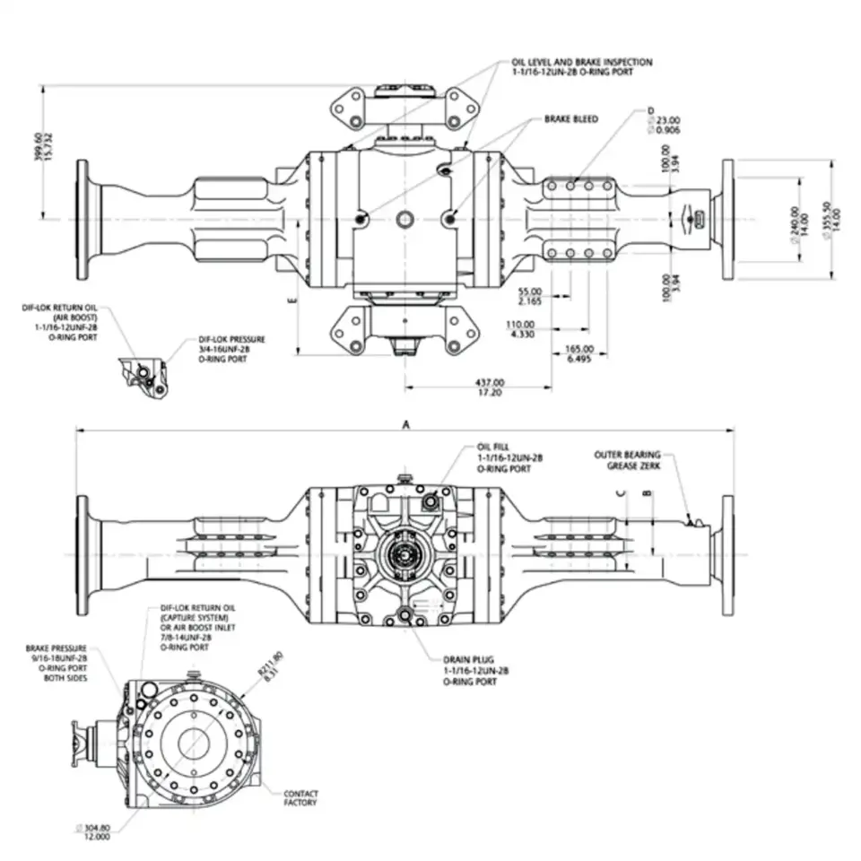
Mehr Traktion bei kompaktem Bauraum: Die Serie-1200 Achse mit innenliegendem Planetengetriebe liefert hohe Radmomente für Off-Road-Fahrzeuge. Optional mit Nasslamellen-Betriebsbremse und federkraftbetätigter, hydraulisch gelöster Parkbremse.
bitte vorab anrufen, um Verfügbarkeit zu prüfen!
2 - 4 Werktage
Mit der Serie 1200 erhalten Sie eine Planetenachse mit innenliegendem Endantrieb, ausgelegt für hohe Radmomente, große Stützlasten und lange Lebensdauer im Off-Road-Einsatz. Das inboard platzierte Planetengetriebe hält Wärme und Schmutz vom Rad fern, ermöglicht breite Spurweiten und wird über ein gemeinsames Öl- und Kühlsystem versorgt – weniger Leitungen, geringerer Wartungsaufwand. Der Schrägkegelradsatz ist für den bidirektionalen Betrieb ausgelegt; große Ölsummen und Gleitverzahnung am Kegelradsatz sichern ruhigen Lauf und Reserven in harten Lastwechselzyklen.
Für sichere Verzögerung stehen innenliegende Nasslamellen-Betriebsbremsen zur Verfügung; die Parkbremse ist federkraftbetätigt und hydraulisch gelöst (alternativ manuell betätigt bei fest gelagerten Achsen). Auf Wunsch steigert ein DIF-LOK-Sperrdifferenzial die Traktion – automatisch („No-spin“) oder hydraulisch zuschaltbar. Die Eingangsgehäuse sind zur Anbindung von Pendel-/Oszillationslagern vorbereitet.
| Allgemeine Daten (Serie 1200) | |
|---|---|
| Spitzenstützlast | 240.000 N |
| Max. Achsdrehmoment | 35.000 Nm |
| Ölvolumen (gemeinsamer Sumpf) | ca. 19 l |
| Flansch-zu-Flansch schmal | 1.300 mm |
| Flansch-zu-Flansch offset | 1.500 mm |
| Flansch-zu-Flansch Standard | 1.700 mm |
| Flansch-zu-Flansch breit | 1.953 mm |
| Trockenmasse (Richtwert) | ≈ 726 kg |
| Untersetzungen | |
|---|---|
| Gesamtratio (Auszug) | 4,333 – 33,429 |
| Aufbau | Schrägkegelrad (Vorgelege) × Inboard-Planetenstufe |
| Bremsen & Differenziale | |
|---|---|
| Betriebsbremse | Innenliegende Nasslamellen-Scheibenbremse |
| Parkbremse | Federkraftbetätigt, hydraulisch gelöst (alternativ manuell betätigt je nach Ausführung) |
| Differenzial-Optionen | Offen (Standard) · No-spin DIF-LOK (automatisch) · Hydraulisches DIF-LOK (zuschaltbar) |
| Merkmale & Vorteile | |
|---|---|
| Inboard-Planetenendtrieb | Schützt vor Schmutz/Hitze, ermöglicht große Reifenfreigängigkeit und breite Spurweiten. |
| Einheitliches Öl-/Kühlsystem | Weniger Leitungen, einfache Wartung, geringere Wärmeübertragung auf die Reifen. |
| Langlebigkeit | Großer Ölsumpf und Gleitkontakt am Kegelradsatz für kühlen, verschleißarmen Betrieb. |
| Integration | Gehäuse für Pendelvorrichtungen vorbereitet; klar definierte Schnittstellen. |
| Traktion | Wählbare Sperrdifferenziale für maximale Zugkraft auf weichem Untergrund. |
Typische Anwendungen
Schwere Off-Road-Fahrzeuge, Dumper/Haul-Trucks, Forst- und Kommunalfahrzeuge, Spezial-/Baumaschinen – überall dort, wo eine robuste Problemlöser-Achse mit variablen Spurweiten gefragt ist.
Engineering & Service in Deutschland
Auslegung, Schnittstellendefinition, Ersatzteile und Support erhalten Sie direkt von der esco antriebstechnik gmbh – für schnelle Projektabwicklung und planbare Verfügbarkeit.
| Weight | 726 kg |
|---|---|
| Dimensions | 1953 × 800 × 450 cm |
| Marke |
Funk Drivetrain Components 27 Jahre Partnerschaft mit Funk Drivetrain Components - die kontinuierliche Zusammenarbeit basiert auf gegenseitigem Respekt, klarer Kommunikation und dem gemeinsamen Ziel, höchste Qualität und Kundenzufriedenheit zu gewährleisten. |
| Anwendung |
An Land |
Benötigen Sie Service, Reparaturen oder eine maßgeschneiderte Lösung aus unserem Produktsortiment? Wir bei esco unterstützen Sie von der Auswahl bis zur Integration unserer Antriebslösungen – zuverlässig, professionell und ganz nach Ihrem Bedarf. Kontaktieren Sie unsere Experten, um gemeinsam die perfekte Lösung für Ihre Anwendung zu finden!
Sofort lieferbar
| Weight | 770 kg |
|---|---|
| Dimensions | 886 × 660 × 814 cm |
| Marke |
Twin Disc Seit mehr als einem halben Jahrhundert verbindet TwinDisc und ESCO eine enge, vertrauensvolle Partnerschaft. Was 1973 mit einem gemeinsamen Projekt begann, hat sich über die Jahre zu einer starken und stabilen Kooperation entwickelt, die heute ein Vorbild für nachhaltige Geschäftsbeziehungen ist. Kupplungen und Getriebe für Industrie- und Marineanwendungen |
| Anwendung |
An Land |
Sofort lieferbar
| Weight | 770 kg |
|---|---|
| Dimensions | 886 × 660 × 814 cm |
| Marke |
Twin Disc Seit mehr als einem halben Jahrhundert verbindet TwinDisc und ESCO eine enge, vertrauensvolle Partnerschaft. Was 1973 mit einem gemeinsamen Projekt begann, hat sich über die Jahre zu einer starken und stabilen Kooperation entwickelt, die heute ein Vorbild für nachhaltige Geschäftsbeziehungen ist. Kupplungen und Getriebe für Industrie- und Marineanwendungen |
| Anwendung |
An Land |
Sofort lieferbar
| Weight | 2440 kg |
|---|---|
| Dimensions | 1434 × 1047 × 1137 cm |
| Marke |
Twin Disc Seit mehr als einem halben Jahrhundert verbindet TwinDisc und ESCO eine enge, vertrauensvolle Partnerschaft. Was 1973 mit einem gemeinsamen Projekt begann, hat sich über die Jahre zu einer starken und stabilen Kooperation entwickelt, die heute ein Vorbild für nachhaltige Geschäftsbeziehungen ist. Kupplungen und Getriebe für Industrie- und Marineanwendungen |
| Anwendung |
An Land |
Sofort lieferbar
| Weight | 2041 kg |
|---|---|
| Dimensions | 1588 × 1084 × 1494 cm |
| Marke |
Twin Disc Seit mehr als einem halben Jahrhundert verbindet TwinDisc und ESCO eine enge, vertrauensvolle Partnerschaft. Was 1973 mit einem gemeinsamen Projekt begann, hat sich über die Jahre zu einer starken und stabilen Kooperation entwickelt, die heute ein Vorbild für nachhaltige Geschäftsbeziehungen ist. Kupplungen und Getriebe für Industrie- und Marineanwendungen |
| Anwendung |
An Land |
Sofort lieferbar
| Weight | 50 kg |
|---|---|
| Dimensions | 370 × 520 × 200 cm |
| Marke |
Twin Disc Seit mehr als einem halben Jahrhundert verbindet TwinDisc und ESCO eine enge, vertrauensvolle Partnerschaft. Was 1973 mit einem gemeinsamen Projekt begann, hat sich über die Jahre zu einer starken und stabilen Kooperation entwickelt, die heute ein Vorbild für nachhaltige Geschäftsbeziehungen ist. Kupplungen und Getriebe für Industrie- und Marineanwendungen |
| Anwendung |
An Land ,Pumpenantrieb |
Sofort lieferbar
| Weight | 36 kg |
|---|---|
| Dimensions | 450 × 260 × 180 cm |
| Marke |
Twin Disc Seit mehr als einem halben Jahrhundert verbindet TwinDisc und ESCO eine enge, vertrauensvolle Partnerschaft. Was 1973 mit einem gemeinsamen Projekt begann, hat sich über die Jahre zu einer starken und stabilen Kooperation entwickelt, die heute ein Vorbild für nachhaltige Geschäftsbeziehungen ist. Kupplungen und Getriebe für Industrie- und Marineanwendungen |
| Anwendung |
An Land ,Pumpenantrieb |
Sofort lieferbar
| Weight | 70 kg |
|---|---|
| Dimensions | 570 × 360 × 200 cm |
| Marke |
Twin Disc Seit mehr als einem halben Jahrhundert verbindet TwinDisc und ESCO eine enge, vertrauensvolle Partnerschaft. Was 1973 mit einem gemeinsamen Projekt begann, hat sich über die Jahre zu einer starken und stabilen Kooperation entwickelt, die heute ein Vorbild für nachhaltige Geschäftsbeziehungen ist. Kupplungen und Getriebe für Industrie- und Marineanwendungen |
| Anwendung |
An Land ,Pumpenantrieb |
Sofort lieferbar
| Weight | 215 kg |
|---|---|
| Dimensions | 850 × 845 × 256 cm |
| Marke |
Twin Disc Seit mehr als einem halben Jahrhundert verbindet TwinDisc und ESCO eine enge, vertrauensvolle Partnerschaft. Was 1973 mit einem gemeinsamen Projekt begann, hat sich über die Jahre zu einer starken und stabilen Kooperation entwickelt, die heute ein Vorbild für nachhaltige Geschäftsbeziehungen ist. Kupplungen und Getriebe für Industrie- und Marineanwendungen |
| Anwendung |
An Land ,Pumpenantrieb |
Sofort lieferbar
| Weight | 350 kg |
|---|---|
| Dimensions | 900 × 900 × 300 cm |
| Marke |
Twin Disc Seit mehr als einem halben Jahrhundert verbindet TwinDisc und ESCO eine enge, vertrauensvolle Partnerschaft. Was 1973 mit einem gemeinsamen Projekt begann, hat sich über die Jahre zu einer starken und stabilen Kooperation entwickelt, die heute ein Vorbild für nachhaltige Geschäftsbeziehungen ist. Kupplungen und Getriebe für Industrie- und Marineanwendungen |
| Anwendung |
An Land ,Pumpenantrieb |
Sofort lieferbar
| Weight | 480 kg |
|---|---|
| Dimensions | 782 × 858 × 415 cm |
| Marke |
Twin Disc Seit mehr als einem halben Jahrhundert verbindet TwinDisc und ESCO eine enge, vertrauensvolle Partnerschaft. Was 1973 mit einem gemeinsamen Projekt begann, hat sich über die Jahre zu einer starken und stabilen Kooperation entwickelt, die heute ein Vorbild für nachhaltige Geschäftsbeziehungen ist. Kupplungen und Getriebe für Industrie- und Marineanwendungen |
| Anwendung |
An Land ,Pumpenantrieb |
No account yet?
Create an Account