-
Abholung bei esco in Troisdorf:
bitte vorab anrufen, um Verfügbarkeit zu prüfen!
-
Lieferzeit:
2 - 4 Werktage
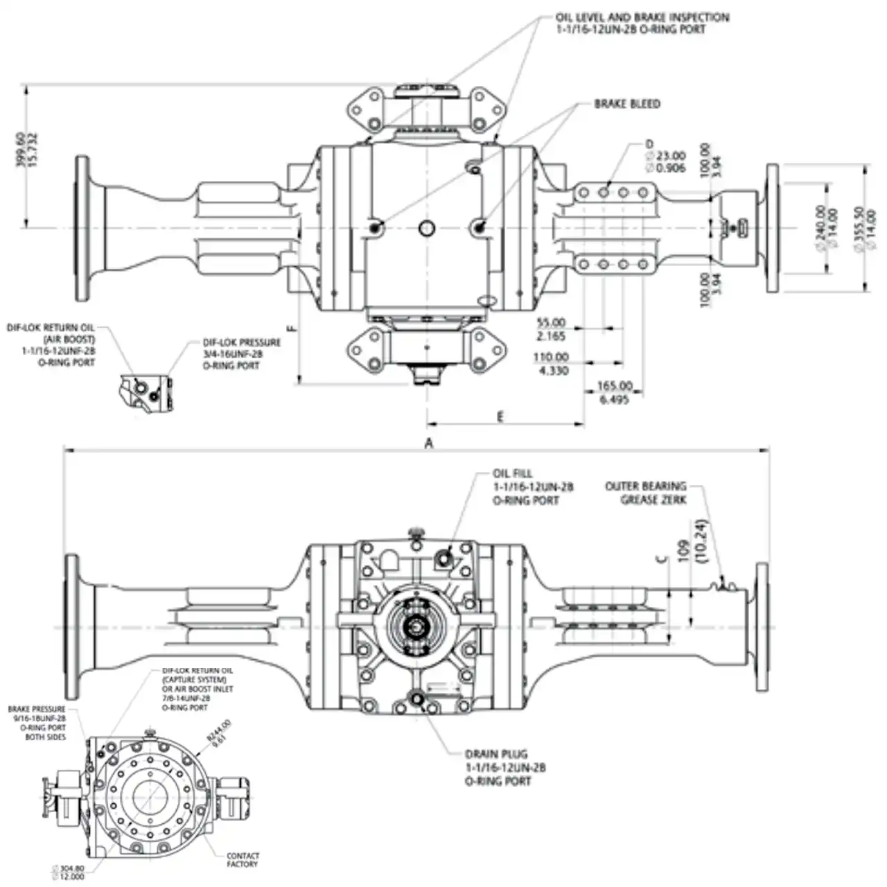
Mehr Traktion für schwere Off-Road-Einsätze: Die Funk Serie 1400 Achse mit innenliegendem Planeten-Endgetriebe liefert hohe Radmomente bei kompakter Bauform. Innenliegende Nasslamellenbremsen und optional federkraftbetätigte, hydraulisch gelöste Parkbremse erhöhen Sicherheit und Verfügbarkeit – ideal für große Spurweiten und hohe Lasten.
Vertrieb, Auslegung und Service in Deutschland durch die esco antriebstechnik gmbh.
bitte vorab anrufen, um Verfügbarkeit zu prüfen!
2 - 4 Werktage
Die Funk Serie 1400 ist eine robuste Antriebsachse mit inboard Planeten-Endstufe und großem Ölsumpf für dauerhaft kühle, verschleißarme Funktion. Das innenliegende Bremskonzept schützt vor Schmutz und reduziert die Wärmeübertragung auf die Reifen – ideal für Baumaschinen, Schwerlast-Offroader, Großkrane, Militär- und Kommunalfahrzeuge.
| Leistungsdaten | |
|---|---|
| Max. Stützlast (vertikal) | 300.000 N (≈67.000 lb) |
| Max. Achsdrehmoment | 47.400 Nm (≈420.000 in-lb) |
| Ölvolumen (gemeinsamer Sumpf) | 28 L (≈30 qt) |
| Abmessungen & Gewichte | |
|---|---|
| Flansch-zu-Flansch (schmal) | 1.700 mm |
| Flansch-zu-Flansch (Standard) | 1.953 mm |
| Für Endstufe 6,4:1 | 110 mm (Pinion-Dimension) |
| Trockengewicht (ca.) | 862 kg |
| Übersetzungsverhältnisse | |
|---|---|
| Bereich (gesamt) | 16,208:1 – 32,914:1 (Kombinationen aus Spiral-Kegelrad & Planetenstufe) |
| Bremsen & Differenzial | |
|---|---|
| Betriebsbremse | Innenliegende Nasslamellen-Scheibenbremse (geschützt, funkenfrei) |
| Parkbremse (Option) | Federspeicher, hydraulisch gelöst (alternativ manuell betätigt bei starr montierten Achsen) |
| Differenzial-Optionen | Offen (Standard), No-spin DIF-LOK, hydraulisches DIF-LOK |
| Merkmale & Vorteile | |
|---|---|
| Inboard-Planetenendstufe | Mehr Reifenfreiheit, große Spurweiten realisierbar, geringere Wärmeübertragung auf den Reifen |
| Großer Ölsumpf | Gemeinsame Ölversorgung für Planeten, Differenzial und Bremsen – bessere Kühlung, längere Lebensdauer |
| Spiral-Kegelrad (bidirektional) | Sanfte Zahnkontaktschlupf-Optimierung für hohe Dauerfestigkeit und leise Laufkultur |
| Schutz & Verfügbarkeit | Bremsen im Achsgehäuse – keine exponierten Leitungen am Radende; weniger Schmutzeintrag |
| Konfigurierbarkeit | Gehäuse in Gusseisen-Qualitäten, Standard/Heavy-Duty-Radlager, Standard oder extra-breite Planetenträger |
Typische Anwendungen
Schwerlast-Bau- und Industriefahrzeuge, Mining, Öl & Gas, Großkrane, Militär-/Spezialfahrzeuge, Kommunaltechnik – überall dort, wo hohe Radmomente und große Spurweiten gefordert sind.
Engineering & Service (DE)
Die esco antriebstechnik gmbh unterstützt Sie bei Auswahl, Auslegung, Schnittstellen-Engineering, Ersatzteilen und Inbetriebnahme.
| Weight | 862 kg |
|---|---|
| Dimensions | 1953 × 800 × 500 cm |
| Marke |
Funk Drivetrain Components 27 Jahre Partnerschaft mit Funk Drivetrain Components - die kontinuierliche Zusammenarbeit basiert auf gegenseitigem Respekt, klarer Kommunikation und dem gemeinsamen Ziel, höchste Qualität und Kundenzufriedenheit zu gewährleisten. |
| Anwendung |
An Land |
Benötigen Sie Service, Reparaturen oder eine maßgeschneiderte Lösung aus unserem Produktsortiment? Wir bei esco unterstützen Sie von der Auswahl bis zur Integration unserer Antriebslösungen – zuverlässig, professionell und ganz nach Ihrem Bedarf. Kontaktieren Sie unsere Experten, um gemeinsam die perfekte Lösung für Ihre Anwendung zu finden!
Sofort lieferbar
| Weight | 984 kg |
|---|---|
| Dimensions | 907 × 711 × 1118 cm |
| Marke |
Twin Disc Seit mehr als einem halben Jahrhundert verbindet TwinDisc und ESCO eine enge, vertrauensvolle Partnerschaft. Was 1973 mit einem gemeinsamen Projekt begann, hat sich über die Jahre zu einer starken und stabilen Kooperation entwickelt, die heute ein Vorbild für nachhaltige Geschäftsbeziehungen ist. Kupplungen und Getriebe für Industrie- und Marineanwendungen |
| Anwendung |
An Land |
Sofort lieferbar
| Weight | 2440 kg |
|---|---|
| Dimensions | 1434 × 1047 × 1137 cm |
| Marke |
Twin Disc Seit mehr als einem halben Jahrhundert verbindet TwinDisc und ESCO eine enge, vertrauensvolle Partnerschaft. Was 1973 mit einem gemeinsamen Projekt begann, hat sich über die Jahre zu einer starken und stabilen Kooperation entwickelt, die heute ein Vorbild für nachhaltige Geschäftsbeziehungen ist. Kupplungen und Getriebe für Industrie- und Marineanwendungen |
| Anwendung |
An Land |
Sofort lieferbar
| Weight | 2288 kg |
|---|---|
| Dimensions | 1367 × 1047 × 1137 cm |
| Marke |
Twin Disc Seit mehr als einem halben Jahrhundert verbindet TwinDisc und ESCO eine enge, vertrauensvolle Partnerschaft. Was 1973 mit einem gemeinsamen Projekt begann, hat sich über die Jahre zu einer starken und stabilen Kooperation entwickelt, die heute ein Vorbild für nachhaltige Geschäftsbeziehungen ist. Kupplungen und Getriebe für Industrie- und Marineanwendungen |
| Anwendung |
An Land |
Sofort lieferbar
| Weight | 195 kg |
|---|---|
| Dimensions | 920 × 502 × 274 cm |
| Marke |
Twin Disc Seit mehr als einem halben Jahrhundert verbindet TwinDisc und ESCO eine enge, vertrauensvolle Partnerschaft. Was 1973 mit einem gemeinsamen Projekt begann, hat sich über die Jahre zu einer starken und stabilen Kooperation entwickelt, die heute ein Vorbild für nachhaltige Geschäftsbeziehungen ist. Kupplungen und Getriebe für Industrie- und Marineanwendungen |
| Anwendung |
An Land ,Pumpenantrieb |
Sofort lieferbar
| Weight | 42 kg |
|---|---|
| Dimensions | 450 × 447 × 173,5 cm |
| Marke |
Twin Disc Seit mehr als einem halben Jahrhundert verbindet TwinDisc und ESCO eine enge, vertrauensvolle Partnerschaft. Was 1973 mit einem gemeinsamen Projekt begann, hat sich über die Jahre zu einer starken und stabilen Kooperation entwickelt, die heute ein Vorbild für nachhaltige Geschäftsbeziehungen ist. Kupplungen und Getriebe für Industrie- und Marineanwendungen |
| Anwendung |
An Land ,Pumpenantrieb |
Sofort lieferbar
| Weight | 122 kg |
|---|---|
| Dimensions | 570 × 530 × 192,5 cm |
| Marke |
Twin Disc Seit mehr als einem halben Jahrhundert verbindet TwinDisc und ESCO eine enge, vertrauensvolle Partnerschaft. Was 1973 mit einem gemeinsamen Projekt begann, hat sich über die Jahre zu einer starken und stabilen Kooperation entwickelt, die heute ein Vorbild für nachhaltige Geschäftsbeziehungen ist. Kupplungen und Getriebe für Industrie- und Marineanwendungen |
| Anwendung |
An Land ,Pumpenantrieb |
Sofort lieferbar
| Weight | 350 kg |
|---|---|
| Dimensions | 900 × 900 × 300 cm |
| Marke |
Twin Disc Seit mehr als einem halben Jahrhundert verbindet TwinDisc und ESCO eine enge, vertrauensvolle Partnerschaft. Was 1973 mit einem gemeinsamen Projekt begann, hat sich über die Jahre zu einer starken und stabilen Kooperation entwickelt, die heute ein Vorbild für nachhaltige Geschäftsbeziehungen ist. Kupplungen und Getriebe für Industrie- und Marineanwendungen |
| Anwendung |
An Land ,Pumpenantrieb |
Sofort lieferbar
| Weight | 350 kg |
|---|---|
| Dimensions | 900 × 900 × 300 cm |
| Marke |
Twin Disc Seit mehr als einem halben Jahrhundert verbindet TwinDisc und ESCO eine enge, vertrauensvolle Partnerschaft. Was 1973 mit einem gemeinsamen Projekt begann, hat sich über die Jahre zu einer starken und stabilen Kooperation entwickelt, die heute ein Vorbild für nachhaltige Geschäftsbeziehungen ist. Kupplungen und Getriebe für Industrie- und Marineanwendungen |
| Anwendung |
An Land ,Pumpenantrieb |
Sofort lieferbar
| Weight | 343 kg |
|---|---|
| Dimensions | 786 × 782 × 320 cm |
| Marke |
Twin Disc Seit mehr als einem halben Jahrhundert verbindet TwinDisc und ESCO eine enge, vertrauensvolle Partnerschaft. Was 1973 mit einem gemeinsamen Projekt begann, hat sich über die Jahre zu einer starken und stabilen Kooperation entwickelt, die heute ein Vorbild für nachhaltige Geschäftsbeziehungen ist. Kupplungen und Getriebe für Industrie- und Marineanwendungen |
| Anwendung |
An Land ,Pumpenantrieb |
Sofort lieferbar
| Weight | 122 kg |
|---|---|
| Dimensions | 570 × 530 × 192,5 cm |
| Marke |
Funk Drivetrain Components 27 Jahre Partnerschaft mit Funk Drivetrain Components - die kontinuierliche Zusammenarbeit basiert auf gegenseitigem Respekt, klarer Kommunikation und dem gemeinsamen Ziel, höchste Qualität und Kundenzufriedenheit zu gewährleisten. |
| Anwendung |
An Land |
No account yet?
Create an Account