-
Abholung bei esco in Troisdorf:
bitte vorab anrufen, um Verfügbarkeit zu prüfen!
-
Lieferzeit:
2 - 4 Werktage
Übersetzungen 0,50–1,47, Eingangsleistung bis 205 kW (275 PS) bei 1,00:1 @ 3.200 U/min.
Unsere Experten prüfen Ihre Daten und erstellen Ihr Angebot.
bitte vorab anrufen, um Verfügbarkeit zu prüfen!
2 - 4 Werktage
Was Sie in der Praxis gewinnen
Statt mehrere Antriebe zu verbauen, speist ein Primärmotor Ihr gesamtes Hydrauliksystem – kompakt, sauber, effizient. Das AM216 wandelt Motordrehmoment in stabilen, vibrationsarmen Pumpenantrieb und sorgt damit für längere Betriebszeit, weniger Stillstand und kalkulierbare Betriebskosten.
Konstruktion für Langlebigkeit & Ruhe
Gusseisengehäuse, kugelgelagerte, einsatzgehärtete/geschliffene Stirnräder und Wellen, Viton-Dichtung an der Eingangsseite. Ausgangsdrehrichtung entgegen der Eingangsrichtung; identische Übersetzung an allen Abgängen. Zielgröße: L10-Lagerlebensdauer ≥ 10.000 h.
Leistung & Auslegung – was planbar ist
Eingangsleistung bis 205 kW (275PS) (bei i = 1,00:1 @ 3.200 U/min). Übersetzungen: 0,50 / 0,68 / 0,79 / 0,89 / 1,00 / 1,13 / 1,27 / 1,47 Eingangsoptionen: B (Basic), BD (Anflansch mit Kupplung), BDS (freistehend mit Kupplung).
| Verhältnis :1 | Max. Eingangsdrehmoment Nm (lbf·ft) | Max. Ausgangsdrehmoment pro Pumpenaufnahme Nm (lbf·ft) | Max. Eingangsdrehzahl (U/min) | Max. Ausgangsdrehzahl (U/min) | Ölfüllmenge L (gal) |
|---|---|---|---|---|---|
| 0,50 | 800 (590) | 200 (148) | 2400 | 4800 | 1,9 (0,50) |
| 0,68 | 735 (542) | 250 (184) | 2650 | 3897 | 2,0 (0,53) |
| 0,79 | 700 (516) | 275 (203) | 2850 | 3608 | 2,0 (0,53) |
| 0,89 | 670 (494) | 300 (221) | 3200 | 3596 | 1,7 (0,45) |
| 1,00 | 630 (465) | 315 (232) | 3200 | 3200 | 1,7 (0,45) |
| 1,13 | 560 (413) | 320 (236) | 3300 | 2920 | 1,7 (0,45) |
| 1,27 | 550 (406) | 350 (258) | 3600 | 2835 | 1,5 (0,40) |
| 1,47 | 500 (369) | 365 (269) | 3950 | 2687 | 1,3 (0,34) |
Warum das betriebswirtschaftlich Sinn macht
Ein Antrieb, mehrere Pumpen ⇒ weniger Bauraum, weniger Nebenaggregate. Ruhige Zahnradpaarungen senken Geräuschemission und reduzieren Folgelasten auf Pumpenlager. SAE-Schnittstellen verkürzen Beschaffung und Montage.
Einwände vorweggenommen
„Passt das?“ – Wir klären Übersetzung, Flanschbild, Kupplung und Pumpenpads anhand Ihrer Daten.
„Wie aufwendig?“ – Modulare Baugruppen + klare Doku ⇒ zügige Integration.
„Service?“ – Eigene ESCO-Werkstatt und Vor-Ort-Einsätze, inkl. Ersatzteilversorgung und Prüfprotokollen.
Konfigurierbar = „auf Anfrage“
Das AM110 wird anwendungsspezifisch konfiguriert (Übersetzung, Ein-/Ausgang, Kupplung, Adaptionen). Deshalb führen wir es „auf Anfrage“.
Unsere Experten melden sich zeitnah, prüfen Ihre Rahmenbedingungen und arbeiten ein individuelles Angebot aus – transparent und schnell. Auf Wunsch koordinieren wir Service in der Werkstatt oder bei Ihnen vor Ort.
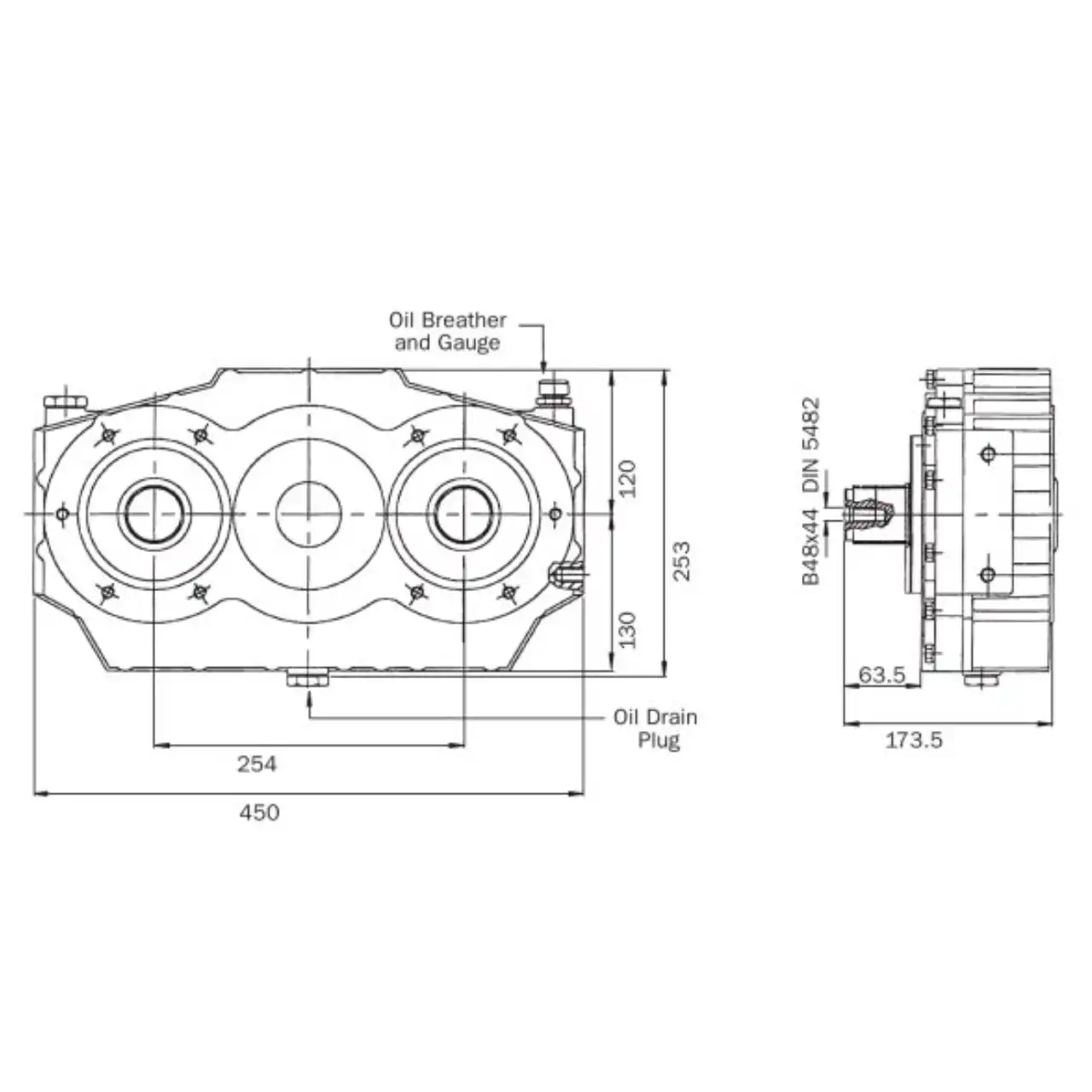
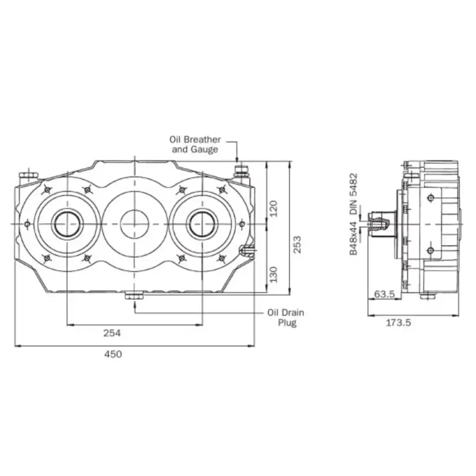
Modell: AM216 Zeichnung | Zeichnungsnummer: 1029013B | Eingang: BD145 SAE #3/11.5″ Kupplung | Ausgang: SAE “C” 4-bolt pad , SAE “C” 14T spline SAE “C” 4 bolt pad , SAE “C” 14T spline
| Gewicht | 36 kg |
|---|---|
| Größe | 450 × 260 × 180 cm |
| Marke |
Twin Disc Seit mehr als einem halben Jahrhundert verbindet TwinDisc und ESCO eine enge, vertrauensvolle Partnerschaft. Was 1973 mit einem gemeinsamen Projekt begann, hat sich über die Jahre zu einer starken und stabilen Kooperation entwickelt, die heute ein Vorbild für nachhaltige Geschäftsbeziehungen ist. Kupplungen und Getriebe für Industrie- und Marineanwendungen |
| Anwendung |
An Land ,Pumpenantrieb |
Benötigen Sie Service, Reparaturen oder eine maßgeschneiderte Lösung aus unserem Produktsortiment? Wir bei esco unterstützen Sie von der Auswahl bis zur Integration unserer Antriebslösungen – zuverlässig, professionell und ganz nach Ihrem Bedarf. Kontaktieren Sie unsere Experten, um gemeinsam die perfekte Lösung für Ihre Anwendung zu finden!
Sofort lieferbar
| Gewicht | 70 kg |
|---|---|
| Größe | 570 × 360 × 200 cm |
| Marke |
Twin Disc Seit mehr als einem halben Jahrhundert verbindet TwinDisc und ESCO eine enge, vertrauensvolle Partnerschaft. Was 1973 mit einem gemeinsamen Projekt begann, hat sich über die Jahre zu einer starken und stabilen Kooperation entwickelt, die heute ein Vorbild für nachhaltige Geschäftsbeziehungen ist. Kupplungen und Getriebe für Industrie- und Marineanwendungen |
| Anwendung |
An Land ,Pumpenantrieb |
Sofort lieferbar
| Gewicht | 94 kg |
|---|---|
| Größe | 660 × 450 × 201,5 cm |
| Marke |
Twin Disc Seit mehr als einem halben Jahrhundert verbindet TwinDisc und ESCO eine enge, vertrauensvolle Partnerschaft. Was 1973 mit einem gemeinsamen Projekt begann, hat sich über die Jahre zu einer starken und stabilen Kooperation entwickelt, die heute ein Vorbild für nachhaltige Geschäftsbeziehungen ist. Kupplungen und Getriebe für Industrie- und Marineanwendungen |
| Anwendung |
An Land ,Pumpenantrieb |
Sofort lieferbar
| Gewicht | 195 kg |
|---|---|
| Größe | 920 × 502 × 274 cm |
| Marke |
Twin Disc Seit mehr als einem halben Jahrhundert verbindet TwinDisc und ESCO eine enge, vertrauensvolle Partnerschaft. Was 1973 mit einem gemeinsamen Projekt begann, hat sich über die Jahre zu einer starken und stabilen Kooperation entwickelt, die heute ein Vorbild für nachhaltige Geschäftsbeziehungen ist. Kupplungen und Getriebe für Industrie- und Marineanwendungen |
| Anwendung |
An Land ,Pumpenantrieb |
Sofort lieferbar
| Gewicht | 122 kg |
|---|---|
| Größe | 570 × 530 × 192,5 cm |
| Marke |
Twin Disc Seit mehr als einem halben Jahrhundert verbindet TwinDisc und ESCO eine enge, vertrauensvolle Partnerschaft. Was 1973 mit einem gemeinsamen Projekt begann, hat sich über die Jahre zu einer starken und stabilen Kooperation entwickelt, die heute ein Vorbild für nachhaltige Geschäftsbeziehungen ist. Kupplungen und Getriebe für Industrie- und Marineanwendungen |
| Anwendung |
An Land ,Pumpenantrieb |
Sofort lieferbar
| Gewicht | 154 kg |
|---|---|
| Größe | 660 × 630 × 201,5 cm |
| Marke |
Twin Disc Seit mehr als einem halben Jahrhundert verbindet TwinDisc und ESCO eine enge, vertrauensvolle Partnerschaft. Was 1973 mit einem gemeinsamen Projekt begann, hat sich über die Jahre zu einer starken und stabilen Kooperation entwickelt, die heute ein Vorbild für nachhaltige Geschäftsbeziehungen ist. Kupplungen und Getriebe für Industrie- und Marineanwendungen |
| Anwendung |
An Land ,Pumpenantrieb |
Sofort lieferbar
| Gewicht | 240 kg |
|---|---|
| Größe | 850 × 845 × 256 cm |
| Marke |
Twin Disc Seit mehr als einem halben Jahrhundert verbindet TwinDisc und ESCO eine enge, vertrauensvolle Partnerschaft. Was 1973 mit einem gemeinsamen Projekt begann, hat sich über die Jahre zu einer starken und stabilen Kooperation entwickelt, die heute ein Vorbild für nachhaltige Geschäftsbeziehungen ist. Kupplungen und Getriebe für Industrie- und Marineanwendungen |
| Anwendung |
An Land ,Pumpenantrieb |
Sofort lieferbar
| Gewicht | 205 kg |
|---|---|
| Größe | 672 × 672 × 201,5 cm |
| Marke |
Twin Disc Seit mehr als einem halben Jahrhundert verbindet TwinDisc und ESCO eine enge, vertrauensvolle Partnerschaft. Was 1973 mit einem gemeinsamen Projekt begann, hat sich über die Jahre zu einer starken und stabilen Kooperation entwickelt, die heute ein Vorbild für nachhaltige Geschäftsbeziehungen ist. Kupplungen und Getriebe für Industrie- und Marineanwendungen |
| Anwendung |
An Land ,Pumpenantrieb |
Sofort lieferbar
| Gewicht | 350 kg |
|---|---|
| Größe | 900 × 900 × 300 cm |
| Marke |
Twin Disc Seit mehr als einem halben Jahrhundert verbindet TwinDisc und ESCO eine enge, vertrauensvolle Partnerschaft. Was 1973 mit einem gemeinsamen Projekt begann, hat sich über die Jahre zu einer starken und stabilen Kooperation entwickelt, die heute ein Vorbild für nachhaltige Geschäftsbeziehungen ist. Kupplungen und Getriebe für Industrie- und Marineanwendungen |
| Anwendung |
An Land ,Pumpenantrieb |
Sofort lieferbar
| Gewicht | 343 kg |
|---|---|
| Größe | 786 × 782 × 320 cm |
| Marke |
Twin Disc Seit mehr als einem halben Jahrhundert verbindet TwinDisc und ESCO eine enge, vertrauensvolle Partnerschaft. Was 1973 mit einem gemeinsamen Projekt begann, hat sich über die Jahre zu einer starken und stabilen Kooperation entwickelt, die heute ein Vorbild für nachhaltige Geschäftsbeziehungen ist. Kupplungen und Getriebe für Industrie- und Marineanwendungen |
| Anwendung |
An Land ,Pumpenantrieb |
Sofort lieferbar
| Gewicht | 192 kg |
|---|---|
| Größe | 400 × 800 × 500 cm |
| Marke |
Funk Drivetrain Components 27 Jahre Partnerschaft mit Funk Drivetrain Components - die kontinuierliche Zusammenarbeit basiert auf gegenseitigem Respekt, klarer Kommunikation und dem gemeinsamen Ziel, höchste Qualität und Kundenzufriedenheit zu gewährleisten. |
| Anwendung |
An Land |
No account yet?
Create an Account